◆ZAZQ/ZAZX型电动三通合流/分流调节阀 产品概述:
ZAZQ、ZAZX型电动三通合流、分流调节阀采用圆筒型薄壁窗口形阀芯导向。配用DKZ直行程电动执行机构,接受0~10或4~20mA.DC信号驱动阀门启闭。其中三通合流调节阀用于将两种流体混合成第三种流体,或不同温度的同种流体,混合成同一温度流体。三通分流阀将一种流体分成两路流体。
本系列产品口径由25mm至200mm,公称压力有1.0、1.6、4.0、6.4MPa,温度范围-60℃至450℃,控制信号为0~10或4~20mA.DC。配用不同的执行机构可分为普通型和电子型两种。
◆ZAZQ/ZAZX型电动三通合流/分流调节阀 产品特点:
·流体对阀芯作用方向都处于流开状态,故工作稳定性好。
·除了阀盖处衬套导向外,阀芯侧面与阀座内表面也有导向作用,导向面积大,工作可靠。
·伺服放大器采用深度动态负反馈,可提高调节精度。
·电动操作器有多种形式,可适用于4~20mA.DC或0~10mA.DC。
·电子型电动调节阀可直接由电流信号控制阀门开度,无需伺服放大器。
·节省自动化投资,与单座、双座或套筒调节阀相比,组成同样的系统可省掉一个阀,简化系统,节省投资。
·波纹管密封型对移动的阀杆形成完全的密封,堵绝流体外漏。
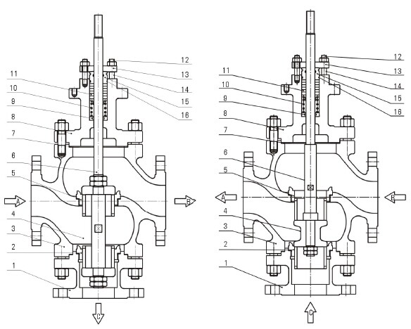
◆ZAZQ/ZAZX型电动三通合流/分流调节阀 内部结构简图:
X系列三通分流型(DN≥80) Q系列三通合流型
◆ZAZQ/ZAZX型电动三通合流/分流调节阀 材质:
阀体、阀盖:HT200、ZG230~450 ZG1Cr18Ni9Ti
阀芯、阀座:1Cr18Ni9Ti 司太莱合金堆焊
填料:聚四氟乙烯
推杆、衬套:2Cr13
◆ZAZQ/ZAZX型电动三通合流/分流调节阀 技术参数:
|
公称通径 DN(mm) |
25 |
32 |
40 |
50 |
65 |
80 |
100 |
125 |
150 |
200 |
|
额定流量系数 KV |
合流 |
8.5 |
13 |
21 |
34 |
53 |
85 |
135 |
210 |
340 |
535 |
|
分流 |
|
|
|
|
|
85 |
135 |
210 |
340 |
535 |
|
额定行程 (mm) |
16 |
25 |
40 |
60 |
|
流量特性 |
直线抛物线 |
|
工作温度 (℃) |
普通型:铸铁: -20~200、铸钢:-40~250、铸不锈钢:-60~250
散热型:铸钢: -40~450、铸不锈钢:-60~450 |
|
介质温度 (℃) |
200以下(对合流阀而言) |
|
固有可调比 R |
30 |
|
公称压力 PN(MPa) |
1.0 1.6 4.0 6.4 |
|
允许泄漏量 |
硬密封:Ⅳ级软密封:VI级 |
|
作用方式 |
电开、电关 |
|
信号范围 (mA.DC) |
0~10 4~20 |
|
电源电压 |
220V、50H Z 380V、50H Z 24V、AC/DC |
|
环境温度 (℃) |
伺服放大器: 5~45 执行机构:-10~55 |
|
全行程时间
S |
普通型 |
12.5 |
20 |
32 |
48 |
|
电子型 |
30 |
30 |
48 |
60 |
|
消耗功率 (W) |
普通型 |
28 |
35 |
|
电子型 |
6 |
15 |
25 |
40 |
◆ZAZQ/ZAZX型电动三通合流/分流调节阀 连接尺寸及标准:
·法兰标准:铸铁法兰按GB4216.5-84 铸钢法兰按GB9113-88,JB/T79-94
·法兰密封面型:PN10、PN16为凸面 PN40、PN64为凹凸面、阀体为凹面
·结构长度:GB12221-89
·夹套保温型夹套载热体接口:对焊ф18X4
* 阀体法兰及法兰端面距离可以按用户指定的标准制造。
如ANSI、JIS、JPI等标准。
◆ZAZQ/ZAZX型电动三通合流/分流调节阀 订货须知:
订货时请用户提供以下资料:
·调节阀名称、型号
·公称通径(mm)
·公称压力(MPa)
·额定流量系数(KV)
·固有流量特性
·介质名称、阀前后压力、温度、流量等
·整机作用方式(电开、电关)及输入信号
·阀体、阀内件及填料材质
·附件(操作器、伺服放大器等)
·其他特殊要求