加入收藏
设为首页
繁体中文
English
首页
公司简介
公司简介
组织结构
资质证书
企业文化
联系我们
新闻中心
公司新闻
行业新闻
产品展示
图片展示
产品概述
人才招聘
在线订购
在线留言
联系我们
图片展示
· 日本TLV阀门系列
· 蒸汽疏水阀
· 不锈钢球阀
· 日本耀希达凯阀门系列
· 阀门系列
· 球阀
· 视镜
· 闸阀
· 截止阀
· 蝶阀
· 止回阀
· 安全阀
· 柱塞阀
· 过滤器
· 伸缩接头
· 旋转接头
· 减压阀
· 疏水阀
· 衬氟阀门
· 波纹管阀门
· 隔膜阀
· 调节阀
· 针型阀
· 陶瓷阀门
· 铜阀门
· 给排水阀
· 气动阀门
· 电动阀门
· 进口阀门
· 法兰、管件
· 卫生级阀门
· 锅炉及附件
· 锅炉
· 产品归集
· 油嘴
· 点火变压器
· 火焰探测器/电眼
· 燃油电磁阀
· 风门执行器/伺服马达
· 燃烧器
· 油泵
· 比例油嘴
· 点火电极
· 回油调节阀
· 燃气过滤器
· 燃气调压阀
· 燃气电磁阀
· 程控器
· 燃油过滤器
· 燃气/空气压力开关
· 水泵系列
· 机械密封
· 管道泵
· 离心泵
· 化工泵
· 排污泵
· 油泵
· 自吸泵
· 螺杆泵
· 消防泵
· 消防系列
· 泡沫灭火设备和泡沫液系列
· 沟槽配件
· 自动喷水灭火产品系列
· 气体灭火设备系列
· 消防部队装备
· 消防应急照明及疏散指示标志
· 中央空调系列
· 中央空调配件产品
· 风管类
· 净化产品类
· 风口类
· 阀门类
· 消声器类
· 液压气动系列
· 气动元件
· 液压铺件
· 仪器仪表
· 环保设备系列
产品概述
QQ:
948403845
1092921555
产品展示 /
Products
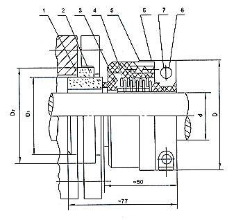
DMWB2系列
DMWB2系列
使用范围:
◇ 介质压力:0~0.5MPa
◇ 介质温度:0~120℃
◇
轴转速:≤3000转/分
◇
适用介质:除HF外的不带颗粒的所有腐蚀性介质
注:本型号主要同各种氟塑料及氟衬料泵配套使用。
1、静环垫 2、静环 3、波纹管 4、弹簧座 5、弹簧 6、弹簧保护套
7、内六角螺钉 8、分半压紧环
型号
d
D
D2
D1
WB2-30
30
66
67
53
WB2-35
35
71
70
57
WB2-40
40
76
76
62
WB2-45
45
81
82
70
WB2-60
50
94
86
72
WB2-55
55
96
90
77
WB2-60
60
101
95
82
WB2-65
65
106
100
87
【 打印本页 】
【 关闭窗口】
友情链接:
百度
|
闽ICP备13020348号-1
|
Copyright? 2013-2015 厦门辉彪阀门有限公司 All rights reserved.